|
HC-KZC具有動態模擬圖、櫃內溫濕度數字顯示(液晶或數碼)及可編程控製、帶電顯示及閉鎖、智能語音防誤提示功能,還可選擇配置RS485數字通訊、人體感應功能,並且可根據用戶的控製要求在裝置上安裝對應的操控轉換開關(包括儲能開關、遠方/就地轉換開關、分合閘轉換開關)。溫濕度控製數字化後,用戶可根據需要自行設置加熱/除濕輸出的上下限以及過熱排風的上下限等參數,使溫濕度控製更有效、更有針對性。


屏麵嵌入式安裝,在麵板上開一個220mm(橫向)×166mm(縱向)的矩形孔,從正麵裝入HC-KZC裝置後,再從背麵用3個配套固定件三點固定即可。

在安裝使用HC-KZC裝置時需注意以下幾點:
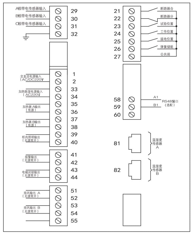
1、動態模擬指示輸入部分(端子21#~27#)必須接無源幹接點,帶電線路接入會損壞裝置。
2、溫濕度控製參數出廠時已按常規控製要求進行設置,如無特殊要求不必再作更改。
3、當需進行大於標稱電壓2倍bei以yi上shang的de高gao壓ya試shi驗yan時shi,請qing先xian將jiang裝zhuang置zhi上shang高gao壓ya帶dai電dian顯xian示shi接jie線xian端duan子zi拔ba下xia,高gao壓ya帶dai電dian顯xian示shi接jie線xian端duan子zi與yu裝zhuang置zhi配pei套tao的de高gao壓ya試shi驗yan短duan接jie模mo塊kuai短duan接jie後hou方fang可ke進jin行xing高gao壓ya試shi驗yan,防fang止zhi異yi常chang過guo壓ya損sun壞huai裝zhuang置zhi。
訂ding貨huo時shi,用yong戶hu需xu將jiang一yi次ci係xi統tong圖tu和he轉zhuan換huan開kai關guan接jie點dian圖tu傳chuan真zhen或huo發fa郵you件jian到dao我wo公gong司si,注zhu明ming所suo訂ding產chan品pin的de具ju體ti型xing號hao及ji數shu量liang,並bing標biao清qing需xu以yi下xia功gong能neng的de一yi種zhong或huo多duo種zhong:
1、動態模擬圖(有斷路器的說明是否要儲能指示);
2、櫃內溫濕度控製(一路或二路溫濕度傳感器控製);
3、高壓帶電顯示及帶電閉鎖;
4、RS485通訊接口。
我公司將根據一次係統圖及用戶的具體要求製作產品方案,待用戶確認方案後開始定製產品。