|
HC-KZB具有動態模擬圖、櫃內溫濕度控製、帶電顯示及閉鎖、智能語音防誤提示功能,還可選擇配置RS485數字通訊、高壓帶電自檢功能、核相/驗電檢測端口,並且可根據用戶的控製要求在裝置上安裝對應的操控轉換開關(包括照明開關、儲能開關、遠方/就地轉換開關、分合閘轉換開關),使屏麵布局簡潔化。


屏麵嵌入式安裝,在麵板上開一個220mm(橫向)×165mm(縱向)的矩形孔,從正麵裝入HC-KZB裝置後,再從背麵用3個配套固定件三點固定即可。

在安裝使用HC-KZB裝置時需注意以下幾點:
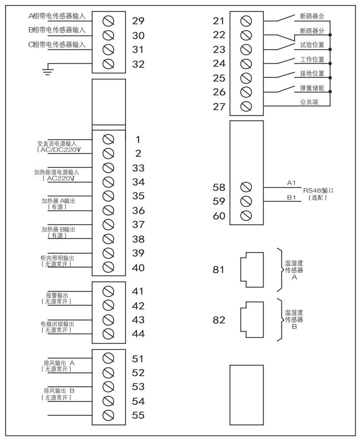
1、動態模擬指示輸入部分(端子1#~7#)必須接無源幹接點,帶電線路接入會損壞裝置
2、溫濕度傳感器與裝置連接必須正確、可靠,否則裝置會一直處於加熱狀態。
3、當需進行大於標稱電壓2倍(bei)以(yi)上(shang)的(de)高(gao)壓(ya)試(shi)驗(yan)時(shi),請(qing)先(xian)將(jiang)裝(zhuang)置(zhi)上(shang)高(gao)壓(ya)帶(dai)電(dian)顯(xian)示(shi)接(jie)線(xian)端(duan)子(zi)拔(ba)下(xia),高(gao)壓(ya)帶(dai)電(dian)顯(xian)示(shi)接(jie)線(xian)端(duan)子(zi)與(yu)裝(zhuang)置(zhi)配(pei)套(tao)的(de)高(gao)壓(ya)試(shi)驗(yan)短(duan)接(jie)模(mo)塊(kuai)短(duan)接(jie)後(hou)方(fang)可(ke)進(jin)行(xing)高(gao)壓(ya)試(shi)驗(yan),防(fang)止(zhi)異(yi)常(chang)過(guo)壓(ya)損(sun)壞(huai)裝(zhuang)置(zhi)。
訂ding貨huo時shi,用yong戶hu需xu將jiang一yi次ci係xi統tong圖tu和he轉zhuan換huan開kai關guan接jie點dian圖tu傳chuan真zhen或huo發fa郵you件jian到dao我wo公gong司si,注zhu明ming所suo訂ding產chan品pin的de具ju體ti型xing號hao及ji數shu量liang,並bing標biao清qing需xu以yi下xia功gong能neng的de一yi種zhong或huo多duo種zhong:
1、動態模擬圖(有斷路器的說明是否要儲能指示);
2、櫃內溫濕度控製(一路或二路溫濕度傳感器控製);
3、高壓帶電顯示及帶電閉鎖;
4、RS485通訊接口。
我公司將根據一次係統圖及用戶的具體要求製作產品方案,待用戶確認方案後開始定製產品。